Forum Discussion

petrosyanmanv's avatar
petrosyanmanv
Icon for New Contributor rankNew Contributor
4 years ago
Solved

Parallel sum frequency

Hi everyone!

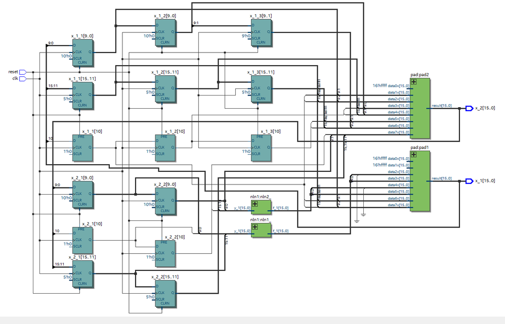
I don't know am I asking question at right place, I need help with optimizing my FPGA project in terms of freqs. I am trying to generate chaotic signal on FPGA board, chaotic oscillator described as IIR filter with nonlinear module (fig. 1), to realize that I used parallel add module from basic functions catalog. I found information about parallel add module only for Stratix devices (fig.2) On my Cyclone® V SE 5CSEMA4U23C6N device I get about 150 MHz FMax (fig. 3) and without non linear module about 200 MHz, am I doing something wrong or Cyclone V is slower than old Stratix devices? Can you give me advice how can I get higher FMax for this project?

And sorry for my poor English.

  • Sorry for the late reply as I was in vacation,


    1. It really depends on how fast you want to run on the particular path. Let say your register to register is running at 200Mhz, and you want that path to run faster, then set max delay is a option to do that. If you want to stick with 200Mhz, just let the Quartus do the job and see if the timing closed? If it is not close, you can try overconstrain or add more pipeline towards the path.

    2. Yes, you are right. But if you are using older devices, most likely you will not need this as is for S10 and above hyperflex timing closure. Older device we just monitor the max fan out.

    3. It is compulsory to meet both of the model, whether it is fast or slow. You may take a look in https://www.intel.com/content/dam/www/programmable/us/en/pdfs/literature/wp/wp-01139-timing-model.pdf, and https://www.youtube.com/watch?v=6D-w8mOttnE at time 26:33



14 Replies

  • KennyT_altera's avatar
    KennyT_altera
    Icon for Super Contributor rankSuper Contributor

    Sorry for the late reply as I was in vacation,


    1. It really depends on how fast you want to run on the particular path. Let say your register to register is running at 200Mhz, and you want that path to run faster, then set max delay is a option to do that. If you want to stick with 200Mhz, just let the Quartus do the job and see if the timing closed? If it is not close, you can try overconstrain or add more pipeline towards the path.

    2. Yes, you are right. But if you are using older devices, most likely you will not need this as is for S10 and above hyperflex timing closure. Older device we just monitor the max fan out.

    3. It is compulsory to meet both of the model, whether it is fast or slow. You may take a look in https://www.intel.com/content/dam/www/programmable/us/en/pdfs/literature/wp/wp-01139-timing-model.pdf, and https://www.youtube.com/watch?v=6D-w8mOttnE at time 26:33



    • petrosyanmanv's avatar
      petrosyanmanv
      Icon for New Contributor rankNew Contributor

      Thank you for reply!

      3. Timing analysis shows huge difference between fast and slow models. Whereas fast model reaches up to 330 MHz FMax, slow model reaches only about 200 MHz for same Cyclone V 5CSEMA4U23C6N chip. Therefore, I was wandering how could I provide the chip with required conditions to gain fast model frequencies.

    • petrosyanmanv's avatar
      petrosyanmanv
      Icon for New Contributor rankNew Contributor

      I hoped that project is small and Quartus will anyway compile it fastest possible way, so I didn't make time constraints, do I need to do it?

    • petrosyanmanv's avatar
      petrosyanmanv
      Icon for New Contributor rankNew Contributor

      Can time constraints change freqs from 200 MHz up to 470 MHz like for Stratix devices?

      • sstrell's avatar
        sstrell
        Icon for Super Contributor rankSuper Contributor

        Absolutely. You should have a .sdc file for every design, especially if you're trying to achieve those types of speeds.

  • KennyT_altera's avatar
    KennyT_altera
    Icon for Super Contributor rankSuper Contributor

    How do you check on this? Usually, it should not be that huge different.



  • KennyT_altera's avatar
    KennyT_altera
    Icon for Super Contributor rankSuper Contributor

    We do not receive any response from you to the previous reply that we have provided. Please post a response in the next 15 days to allow me to continue to support you. After 15 days, this thread will be transitioned to community support. The community users will be able to help you with your follow-up questions.