Forum Discussion

scong4's avatar
scong4
Icon for Occasional Contributor rankOccasional Contributor
6 years ago

can't config Arria 10

I use a Arria 10 10AS048H4F34E3SG, set MSEL[2:0] to 011,VCC and VCCPGM = 1.8V.

I check the nStatus after power on ,it goes high for about 15 DCLK cycle, then goes low for several ms and goes high again . The configuration is fault , How can I find the problem ?

Regards

Shiping

15 Replies

  • ShafiqY_Intel's avatar
    ShafiqY_Intel
    Icon for Frequent Contributor rankFrequent Contributor

    Hi scong4,

    Did you connect nSTATUS pin to external 10kOhm resistors to VCCPGM?

    Noted: the nSTATUS signal low to indicate a configuration error.

    Thanks

    • scong4's avatar
      scong4
      Icon for Occasional Contributor rankOccasional Contributor
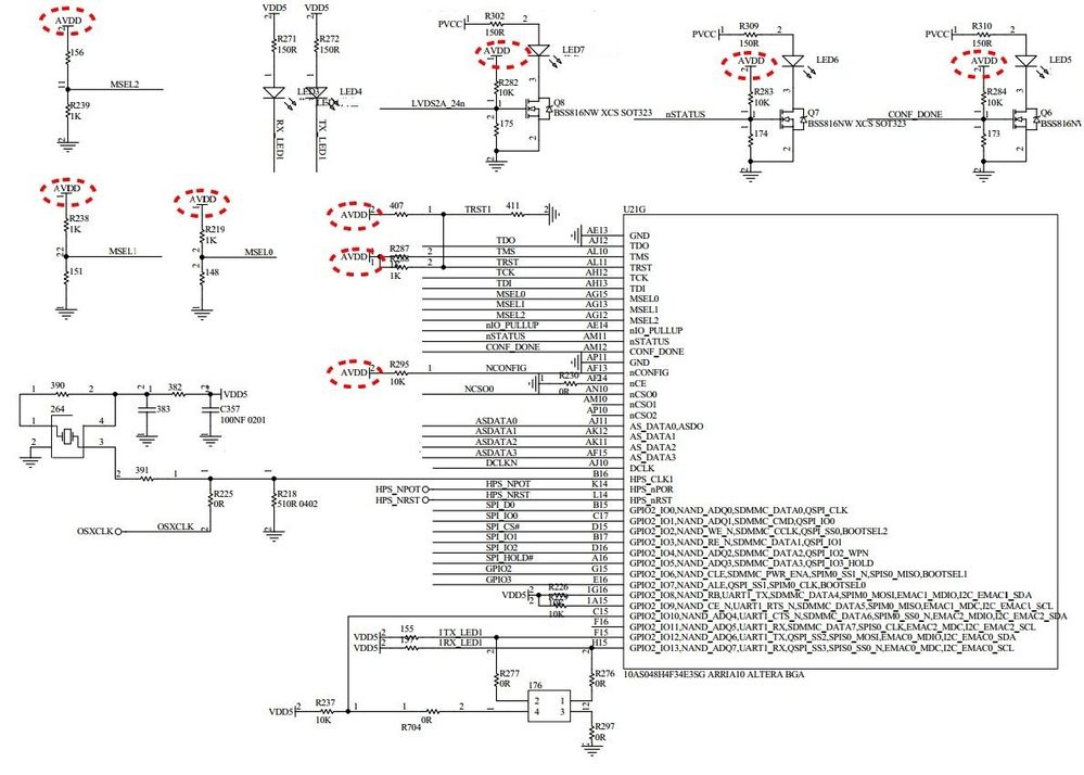
      Thank you for your reply! I send my configration circuit to you . The nSATUS pin connects to a 10Kohm resistor . And the power up is 0.9v->1.0v->1.8v . Thanks shiping cong Hi scong4, Did you connect nSTATUS pin to external 10kOhm resistors to VCCPGM? Noted: the nSTATUS signal low to indicate a configuration error. Thanks WolfGang (Intel) Hi scong4, Did you connect nSTATUS pin to external 10kOhm resistors to VCCPGM? Noted: the nSTATUS signal low to indicate a configuration error. Thanks View/Answer or reply to this email Replying to scong4 (Customer) asked a question. Wednesday, 2020年1月8日 AM8:43 can't config Arria 10 I use a Arria 10 10AS048H4F34E3SG, set MSEL[2:0] to 011,VCC and VCCPGM = 1.8V. I check the nStatus after power on ,it goes high for about 15 DCLK cycle, then goes low for several ms and goes high again . The configuration is fault , How can I find the problem ? Regards Shiping WolfGang (Intel) Hi scong4, Did you connect nSTATUS pin to external 10kOhm resistors to VCCPGM? Noted: the nSTATUS signal low to indicate a configuration error. Thanks Thursday, 2020年1月9日 PM1:40 You're receiving emails when someone "Comments on my posts." To change or turn off Forums email, log in as 300002477859@intel.com.isvc. Are notifications about this post getting annoying? Reply to this email with the word " mute ". For Privacy and Legal notices, please visit these links: http://www.intel.com/privacy, https://www.intel.com/content/www/us/en/legal/terms-of-use.html. [Forums]
      • ShafiqY_Intel's avatar
        ShafiqY_Intel
        Icon for Frequent Contributor rankFrequent Contributor

        Hi scong4,

        I did not get your configration circuit.

        where you send it? Is it to my private message or in this thread?

        Regards.

        WolfGang

    • ShafiqY_Intel's avatar
      ShafiqY_Intel
      Icon for Frequent Contributor rankFrequent Contributor

      Hi scong4,

      May I know the connection of pins TCK, TDI, TDO? (no information in above picture)

      Which flash device you are using?(i.e. EPCQ128, MT25Q, etc2)

      besides, do you used .jic file to program the FPGA?

      When you convert to .jic, did you TICK both of this option?

      Thanks..

      • scong4's avatar
        scong4
        Icon for Occasional Contributor rankOccasional Contributor
        Hi WolfGang My flash device is EPCQL256F24IN. GND--| 1K | TCK -- 1 2 -- GND TDO -- 3 4 -- +1.8V TMS -- 5 6 -- +1.8V -- 7 8 -- TDI -- 9 10 -- GND | 1K | +1.8V This board modified from a old design , no change with the FPGA ciruit . So I use the same data file with the old design and write the data to the flash. I think the data is correct. Thanks WolfGang (Intel) Hi scong4, May I know the connection of pins TCK, TDI, TDO? (no information in above picture) Which flash device you are using?(i.e. EPCQ128, MT25Q, etc2) besides, do you used .jic file to program the FPGA? When you convert to .jic, did you TICK both of this option? [Image placeholder for jic both TICK] jic both TICK Thanks.. View/Answer or reply to this email Replying to can't config Arria 10 scong4 (Customer) Thursday, 2020年1月9日 PM3:10 [Image placeholder for fpgaconfig] fpgaconfig This is the circuit. WolfGang (Intel) Hi scong4, May I know the connection of pins TCK, TDI, TDO? (no information in above picture) Which flash device you are using?(i.e. EPCQ128, MT25Q, etc2) besides, do you used .jic file to program the FPGA? When you convert to .jic, did you TICK both of this option? [Image placeholder for jic both TICK] jic both TICK Thanks.. Thursday, 2020年1月9日 PM4:12 You're receiving emails when someone "Comments on my posts." To change or turn off Forums email, log in as 300002477859@intel.com.isvc. Are notifications about this post getting annoying? Reply to this email with the word " mute ". For Privacy and Legal notices, please visit these links: http://www.intel.com/privacy, https://www.intel.com/content/www/us/en/legal/terms-of-use.html. [Forums]