Forum Discussion

Altera_Forum's avatar
Altera_Forum
Icon for Honored Contributor rankHonored Contributor
8 years ago

VHDL help with code

Hi!

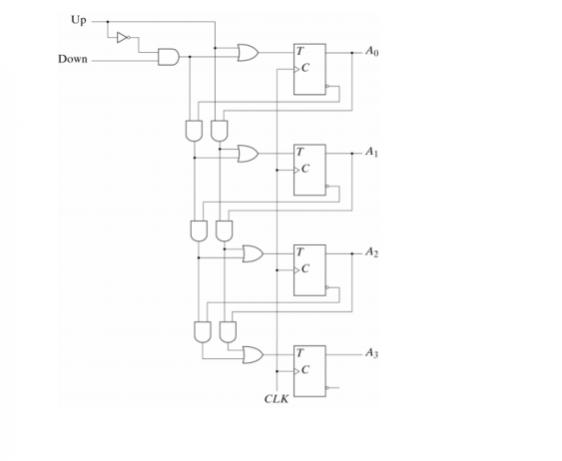
Can anyone help me ih writing VHDL code for this diagra? I need simulation results too. Thanks ! :))

6 Replies

  • Altera_Forum's avatar
    Altera_Forum
    Icon for Honored Contributor rankHonored Contributor

    And what help do you need? What have you have so far and what problems do you have?

  • Altera_Forum's avatar
    Altera_Forum
    Icon for Honored Contributor rankHonored Contributor

    --- Quote Start ---

    And what help do you need? What have you have so far and what problems do you have?

    --- Quote End ---

    I need code in vhdl, I mean: library ieee etc. Look at scheme. I need this to school and I don't know how to write this. Please help :D
  • Altera_Forum's avatar
    Altera_Forum
    Icon for Honored Contributor rankHonored Contributor

    --- Quote Start ---

    --- Quote End ---

    Could you explain me how it works? I'm trying to write code in vhdl which will be works like this scheme, but I don't understand how to do it.
  • Altera_Forum's avatar
    Altera_Forum
    Icon for Honored Contributor rankHonored Contributor

    There are plenty of VHDL tutorials and text books out there. We will not do your work for you. You need to do it yourself and we are here to help if you get stuck.

  • Altera_Forum's avatar
    Altera_Forum
    Icon for Honored Contributor rankHonored Contributor

    okey so tell me what is A1 A2 etc. Input or Output ? I have some code but i don't understand it... I really need this... Please help me ;c

    library IEEE;

    use IEEE.STD_LOGIC_1164.ALL;

    entity projekt is

    port(Up,Down, : in std_logic;

    A0, A1, A2, A3: out std_logic);

    end projekt;

    architecture przerzutnik of projekt is

    component T_FF is

    port (T: in std_logic

    Clock: in std_logic

    Out: out std_logic);

    signal tmp: std_logic;

    begin

    process (Clock)

    begin

    if Clock'event and Clock='1' then

    if T='0' then

    tmp <= tmp;

    elsif T='1' then

    tmp <= not (tmp);

    end if;

    end if;

    end process;

    Out <= tmp;

    end przerzutnik;

    begin

    T_FF: T1 port map(T

    T_FF: T2 port map

    T_FF: T3 port map

    T_FF: T4 port map
  • Altera_Forum's avatar
    Altera_Forum
    Icon for Honored Contributor rankHonored Contributor

    A0-3 are all outputs, because they have out written next to them.

    I highly suggest reading a VHDL tutorial.