Forum Discussion

Niko3's avatar
Niko3
Icon for Occasional Contributor rankOccasional Contributor
3 years ago

Implementation of SN7497 different from data sheet

This is an information to everybody who wants to use 7497 from the Quartus II libraries in the block editor.

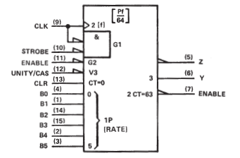
I made a test circuit using in the block editor element 7497 from the library .../quartus/libraries/others/maxplus2, a programmable 6 bit frequency divider.

Logic symbol from data sheet:

Truth table from data sheet:

But my simulation showed a different behaviour:

With only one of the Bx inputs set to high the frequency division was

B0 1/64

B1 1/32

B2 1/16

B3 1/8

B4 1/4

B5 1/2

All Bx inputs high results in a division 1/1.

Combinations of two Bx inputs high result in strange pulse sequences.

I couldn't find a combination for division 1/40 like in the data sheet.

2 Replies