Forum Discussion

Niko3's avatar
Niko3
Icon for Occasional Contributor rankOccasional Contributor
2 years ago

Implementation of SN7497 different from data sheet

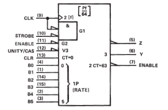
This is an information to everybody who wants to use 7497 from the Quartus II libraries in the block editor. I made a test circuit using in the block editor element 7497 from the library .../quartus...