Forum Discussion

HAlex's avatar
HAlex
Icon for Occasional Contributor rankOccasional Contributor
3 years ago

Flash Loader IP not loaded on device 1

Hello

I am using EP4CGX150CF23C8N with EPCQ128ASI16N flash as AS a configuration device.

When I am trying to program jic file to the flash IC with Intel USB blaster II - I immediately get message:

"Flash Loader IP not loaded on device 1" and operation fails.

Reducing speed of USB blaster II to 16Mhz (from default 24Mhz) with jtagconfig solve this issue.

The problem is also that USB blaster II running on 16Mhz is somehow ~3times slower than Terasic USB blaster running on 6Mhz (Terasic's blaster programming my flash without any issue).

I don't think that it is a signal integrity issue as sof file downloaded properly and fast with USB blaster II running on 24Mhz.

Also FPGA configured properly from flash device running on 40Mhz.

So why jic file programming fails with USB blaster running on 24Mhz?

Thank you

Alex

10 Replies

  • Hi,


    The Intel® FPGA Download Cable II has a default TCK frequency of 24 MHz. However, it is mentioned in the Userguide that for some, signal integrity and timing prevent operating at 24MHz. Hence we recommend to lower the TCK frequency of the download cable. You may refer to below UG.


    https://www.intel.com/content/www/us/en/docs/programmable/683719/current/changing-the-tck-frequency.html#:~:text=The%20Intel%C2%AE%20FPGA%20Download%20Cable%20II%20has,TCK%20frequency%20of%2024%20MHz.


    Regards,

    Aiman


    • HAlex's avatar
      HAlex
      Icon for Occasional Contributor rankOccasional Contributor

      Hello

      As I wrote I did performed reduction of the operating frequency to 16Mhz but even with this frequency USB blaster II working much slower than Terasic USB blaster running on 6Mhz. This cause us difficulties using USB blaster II in mass production (and we don't have enough Terasic USB blasters).

      Anyway, I am not sure that the issue is a signal integrity (unless it is inside FPGA). This is because JTAG path running on 24Mhz configuring SOF file without problem.

      And the path between FPGA and flash running on 40Mhz configuring FPGA smoothly.

      Maybe the problem is with SFL IP that can't run on 24Mhz??

      What do you think?

      Thank you

      Alex

  • Hi Alex.


    The JTAG line to FPGA might not have signal integrity issue, that's why you can successfully program .sof file.


    However, the line between JTAG to flash might have signal integrity issue. Hence that is why you need to reduce the TCK frequency.


    Please check the routing from JTAG header to flash. Also, check your board layout to make sure there is no SI issue.


    Make sure you refer to EPCQ-A configuration datasheet.

    https://www.intel.com/content/www/us/en/docs/programmable/683818/current/epcq-a-serial-configuration-device-datasheet.html


    Regards,

    Aiman



    • HAlex's avatar
      HAlex
      Icon for Occasional Contributor rankOccasional Contributor

      Hello

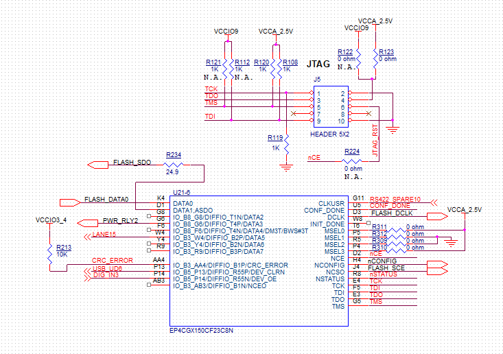
      JTAG connector is not connected directly to the flash, it is connected to FPGA only and serial flash loader is used to program the flash.

      The connection is done according to a following schematics:

      As I wrote also FPGA configuration from the flash running in 40Mhz is done correctly.

      All nets between JTAG - FPGA and FPGA - flash are handled very carefully and matched in length with reference to TCK/DCLK.

      So personally, I suspect that the problem is with SFL IP (it can't work in 24Mhz or not initialized and etc...)??

      Also, why USB blaster II running on 16Mhz is much slower than Terasic running on 6Mhz?

      Thank you

      Alex

  • Hi Alex.


    • How long is the timing when using USB Blaster and Terasic?
    • Have you try to use another USB blaster? Is the timing still slower?
    • Can you provide us your schematic, from the same part as the screenshot you just shown?


    Regards

    Aiman


    • HAlex's avatar
      HAlex
      Icon for Occasional Contributor rankOccasional Contributor

      Hello Aiman

      1. Programming same jic file with:

      USB blaster II running on 16Mhz (after I run: jtagconfig --setparam 1 JtagClock 16M) - 3 minutes 39 seconds.

      Terasic USB blaster (running on default speed, should be 6Mhz) - 56 seconds.

      2. Don't have another Altera USB blaster II for compare.

      3.

      Micron flash is not assembled.

      Thank you

      Alex

  • Hi Alex,


    The schematic looks good. Is the USB Blaster only act slow on this board? Any other board that you have try? We suspect it might be cause by the USB Blaster itself.


    Regards,

    Aiman


    • HAlex's avatar
      HAlex
      Icon for Occasional Contributor rankOccasional Contributor

      Hello Aiman

      I tried several boards with the same Altera USB blaster II and the problem was with all boards.

      Unfortunately, currently I don't Altera another Altera USB blaster II (just have several Terasic USB blaster - all of them are good).

      Thank you.

      Alex

  • Hi Alex,


    Sorry for the inconveniences.

    It seems like the problem came from the USB blaster itself. The USB blaster that you are using might have problem on it that cause it to run slow at certain operation and speed.


    Regards,

    Aiman



  • We do not receive any response from you to the previous answer that I have provided. This thread will be transitioned to community support. If you have a new question, feel free to open a new thread to get the support from Intel experts. Otherwise, the community users will continue to help you on this thread. Thank you