Forum Discussion

maya123's avatar
maya123
Icon for New Contributor rankNew Contributor
1 year ago

After synthesis, I can't see the state diagrams in state machine viewer

Hi, everyone!

I'm using the OSPI protocol to transfer data from Cyclone IV to STM32.

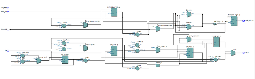
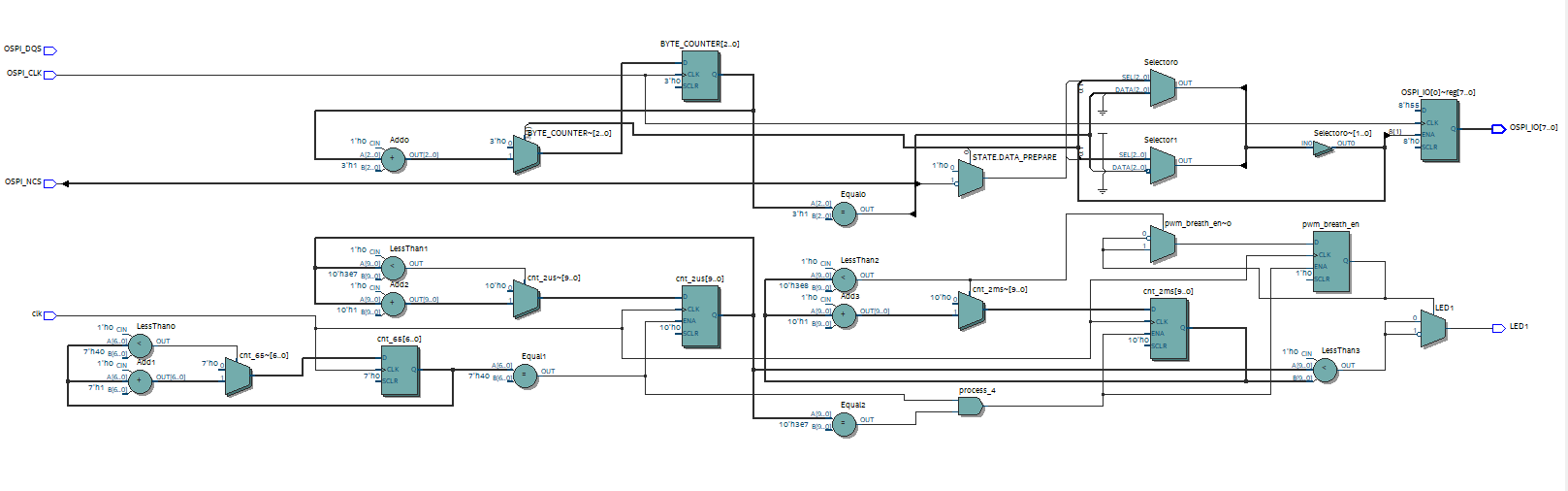
I designed a state machine with three states, and a piece of breathing light code that identifies the normal operation of the program. The code passed the synthesis, and the screenshot shows RTL, but there is nothing in the State machine viewer, it seems that my state machine has been optimized by Quartus.

LIBRARY IEEE;
USE IEEE.STD_LOGIC_1164.ALL;
USE IEEE.STD_LOGIC_UNSIGNED.ALL;
USE IEEE.NUMERIC_STD.ALL;
ENTITY OSPI_TEST_CONNECTION IS
PORT(
clk : IN STD_LOGIC; --- On-board crystal input,32.768Mhz
OSPI_CLK : IN STD_LOGIC; --- OSPI connection clock,input from stm32,8Mhz
OSPI_IO : OUT STD_LOGIC_VECTOR (7 DOWNTO 0); --- ospi_io
OSPI_NCS : IN STD_LOGIC;
OSPI_DQS : IN STD_LOGIC;
LED1 : OUT STD_LOGIC --- breath led
);
END OSPI_TEST_CONNECTION;
ARCHITECTURE BEHAVIOR OF OSPI_TEST_CONNECTION IS
--- state machine
TYPE STATE_TYPE IS (IDLE, DATA_PREPARE, DATA_TRANSMIT);
SIGNAL STATE : STATE_TYPE := IDLE;
SIGNAL DRDY : STD_LOGIC := '0'; --- DRAY:Data ready flags.
SIGNAL BYTE_COUNTER : INTEGER RANGE 0 TO 7 := 0; --- BYTE_COUNTER:Byte counter, plus 1 for each byte sent.
CONSTANT SEND_DATA : STD_LOGIC_VECTOR(7 DOWNTO 0) := "01010101";
SIGNAL OSPI_IO_TEMP : STD_LOGIC_VECTOR(7 DOWNTO 0);
--- PWM _breath _LED ---
SIGNAL cnt_65 : UNSIGNED(6 DOWNTO 0) := (OTHERS => '0');
SIGNAL cnt_2us : UNSIGNED(9 DOWNTO 0) := (OTHERS => '0');
SIGNAL cnt_2ms : UNSIGNED(9 DOWNTO 0) := (OTHERS => '0');
SIGNAL pwm_breath_en : STD_LOGIC := '1';
SIGNAL pwm : STD_LOGIC := '0';
CONSTANT T65 : UNSIGNED(6 DOWNTO 0) := TO_UNSIGNED(65, 7);
CONSTANT T2us : UNSIGNED(9 DOWNTO 0) := TO_UNSIGNED(1000, 10);
CONSTANT T2ms : UNSIGNED(9 DOWNTO 0) := TO_UNSIGNED(1000, 10);
BEGIN
PROCESS(clk,OSPI_NCS)
BEGIN
CASE STATE IS
WHEN IDLE =>
IF (OSPI_NCS = '0') THEN
STATE <= DATA_PREPARE;
ELSE
STATE <= IDLE;
END IF;
WHEN DATA_PREPARE =>
OSPI_IO_TEMP <= SEND_DATA;
DRDY <= '1'; --- data_ready ---
STATE <= DATA_TRANSMIT;
WHEN DATA_TRANSMIT =>
IF(DRDY = '1' AND BYTE_COUNTER = 1) THEN
STATE <= IDLE;
ELSE
STATE <= DATA_TRANSMIT;
END IF;
WHEN OTHERS =>
STATE <= IDLE;
END CASE;
END PROCESS;
PROCESS(OSPI_CLK)
BEGIN
IF RISING_EDGE(OSPI_CLK) THEN
IF (STATE = DATA_TRANSMIT AND DRDY = '1') THEN
OSPI_IO <= (OTHERS => '0');
OSPI_IO <= OSPI_IO_TEMP;
BYTE_COUNTER <= BYTE_COUNTER + 1;
ELSE
BYTE_COUNTER <= 0;
END IF;
END IF;
END PROCESS;
PROCESS(clk)
BEGIN
IF RISING_EDGE(clk) THEN
IF(cnt_65 < T65 - 1) THEN
cnt_65 <= cnt_65 + 1;
ELSE
cnt_65 <= (others => '0');
END IF;
END IF;
END PROCESS;
PROCESS(clk)
BEGIN
IF RISING_EDGE(clk) THEN
IF(cnt_65 = T65 - 1) THEN
IF(cnt_2us < T2us - 1) THEN
cnt_2us <= cnt_2us + 1;
ELSE
cnt_2us <= (others => '0');
END IF;
ELSE
cnt_2us <= cnt_2us;
END IF;
END IF;
END PROCESS;
PROCESS(clk)
BEGIN
IF RISING_EDGE(clk) THEN
IF((cnt_65 = T65 - 1) AND (cnt_2us = T2us - 1)) THEN
IF(cnt_2ms < T2ms) THEN
cnt_2ms <= cnt_2ms + 1;
ELSE
cnt_2ms <= (others => '0');
pwm_breath_en <= NOT pwm_breath_en;
END IF;
ELSE
cnt_2ms <= cnt_2ms;
END IF;
END IF;
END PROCESS;
pwm <= '1' when cnt_2ms > cnt_2us else '0';
LED1 <= NOT pwm WHEN pwm_breath_en = '1' ELSE pwm;
END BEHAVIOR;

  PLUS,I've tried to modify the compilation settings, including the State machine process, but nothing worked.

Please help me! Any advice would be useful.

5 Replies

  • sstrell's avatar
    sstrell
    Icon for Super Contributor rankSuper Contributor

    The state machine is recognized as a state machine since it's listed in the pop-up at the top. Do you have to scroll up or down to see the state diagram?

    • maya123's avatar
      maya123
      Icon for New Contributor rankNew Contributor

      Thanks for your reply. The problem should be with my writing style. After I changed it, I can display the state machine flow chart.
      Thanks again!

  • FvM's avatar
    FvM
    Icon for Super Contributor rankSuper Contributor

    Hi,

    problem with above posted code is that signal STATE is a combinational latch, not a clocked register.

    Need to add clock edge sensitive condidtion, e.g.

        PROCESS(clk,OSPI_NCS)         
        BEGIN
    	if rising_edge(clk) then 
            CASE STATE IS
                WHEN IDLE =>
                    IF (OSPI_NCS = '0') THEN 
                        STATE <= DATA_PREPARE;
                    ELSE
                        STATE <= IDLE;
                    END IF;
                WHEN DATA_PREPARE =>
                    OSPI_IO_TEMP <= SEND_DATA;
                    DRDY <= '1';                                     --- data_ready ---
                    STATE <= DATA_TRANSMIT;
                WHEN DATA_TRANSMIT =>
                    IF(DRDY = '1' AND BYTE_COUNTER = 1) THEN
                         STATE <= IDLE;
                    ELSE 
                         STATE <= DATA_TRANSMIT;
                    END IF;
                WHEN OTHERS =>
                    STATE <= IDLE;
            END CASE;
    	end if;
        END PROCESS;
  • RichardT_altera's avatar
    RichardT_altera
    Icon for Super Contributor rankSuper Contributor

    I’m glad to hear that you were able to resolve the issue!

    Would you mind sharing what steps you took to resolve it? It would be helpful for future reference.


    Regards,

    Richard Tan


  • RichardT_altera's avatar
    RichardT_altera
    Icon for Super Contributor rankSuper Contributor

    I will transitioning this thread to community support. If you have any further questions or concerns, please don't hesitate to reach out. Please login to https://supporttickets.intel.com/s/?language=en_US , view details of the desire request, and post a feed/response within the next 15 days to allow me to continue to support you. After 15 days, this thread will be transitioned to community support.

    The community users will be able to help you on your follow-up questions.


    Thank you and have a great day!


    Best Regards,

    Richard Tan