Forum Discussion

lipingx's avatar
lipingx
Icon for Occasional Contributor rankOccasional Contributor
9 months ago
Solved

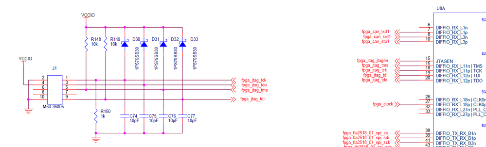
max10 jtag and config pin

Could you review if my jtag pin and config pin ?

  • using pull up or pull down, pick solution is right?
  • clock using VCCIO, is right?

  • Hello,


    Yes, your connection for JTAG pins are correct.


    regards,

    Farabi