Forum Discussion

Altera_Forum's avatar
Altera_Forum
Icon for Honored Contributor rankHonored Contributor
18 years ago

Cyclone II PS configuration problem

Hi all,

I am trying to configure 3 EP2C20 with 3 EPC2 device. The EPC2 device was configured with JTAG. So when the board power up the EP2C20 should be configured by the EPC2.

The connection is as per the altera website's Passive Serial interface...

nConfig: 10k ohm pull up

nstatus: 10k ohm pull up

conf_done: 10k ohm pull up

MSEL1: GND

MSEL0: 3.3V

The JTAG chain has 6 devices in total: EPROM1, FPGA1, EPROM2, FPGA2, EPROM3, FPGA3.

First I made a mistake of compiling the 3 devices with the option 'nCE0 as a programming pin' (i have it unconnected at the moment). The FPGA1 seem to be programmed (don't see nstatus and conf_done toggling) but not the other two.

Then after I recompile all 3 devices with 'nCE0 as a i/o pin' option, all three FPGA's conf_done and nstatus seem to be toggling, but the overall conf_done signal seem to be OK.

Please give me some advice? If there's anything not clear, please let me know. I will try to describe clearer if I can.

Thanks so much in advance!!

ETA: by the way, if I configure the 3 FPGAs with the *.sof file thru JTAG directly, there is no problem.

5 Replies

  • Altera_Forum's avatar
    Altera_Forum
    Icon for Honored Contributor rankHonored Contributor

    Hi

    I hope the cascadded conecction is perfect!!..

    well I found this on Altera Cyclone handbook.. just check this up

    The enhanced configuration devices’ and EPC2 devices’ OE and nCS pins have internal programmable pull-up

    resistors. If internal pull-up resistors are used, external pull-up resistors should not be used on these pins. The

    internal pull-up resistors are used by default in the Quartus II software. To turn off the internal pull-up resistors,

    check the Disable nCS and OE pull-ups on configuration device option when generating programming files.

    Cheers
  • Altera_Forum's avatar
    Altera_Forum
    Icon for Honored Contributor rankHonored Contributor

    The cascadded connection should be fine, as we used this in another project before :)

    Thanks for your info. I saw that too but somehow I read it is only for enhanced config devices (those EPC4, EPC8 etc).

    I will give it a try and let u know :) Thanks a lot!
  • Altera_Forum's avatar
    Altera_Forum
    Icon for Honored Contributor rankHonored Contributor

    I just tried, it's so weird.

    the first FPGA still has some problem configuring (conf_done or nStatus is still toggling) but the other 2 is fine. After I changed the first device with original file (did not disable OE, nCS etc), it seems to be OK now (conf_done or nstatus is HIGH).

    ----

    testing result:

    it still seems to have some problem.

    I really out of idea now..

    let me get a pic of that cconfiguration circuit part later. Thanks.
  • Altera_Forum's avatar
    Altera_Forum
    Icon for Honored Contributor rankHonored Contributor

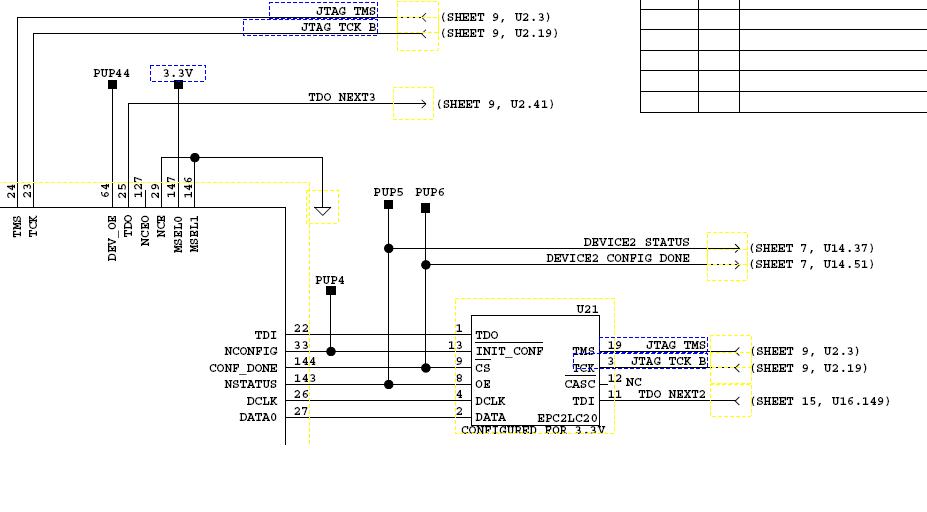
    Please see attached file.

    all FPGAs/EPROM are connected this way, except for FPGA# 1 takes the CONF_DONE and nSTATUS of the other two device as inputs and has an single output of CONF_DONE to an LED.

    What else is wrong? I am very frustrated.

    Thanks in advance for any idea. :)
  • Altera_Forum's avatar
    Altera_Forum
    Icon for Honored Contributor rankHonored Contributor

    Hey

    Thanks for the upload.

    Check this up....

    The nINIT_CONF pin is available on enhanced configuration devices and has an internal pull-up resistor that is

    always active, meaning an external pull-up resistor should not be used on the nINIT_CONF to nCONFIG line. The

    nINIT_CONF pin does not need to be connected if its functionality is not used. If nINIT_CONF is not used, nCONFIG

    must be pulled to VCC either directly or through a resistor.

    Hope this works!!...