Forum Discussion

Fall3n's avatar
Fall3n
Icon for New Contributor rankNew Contributor
2 years ago
Solved

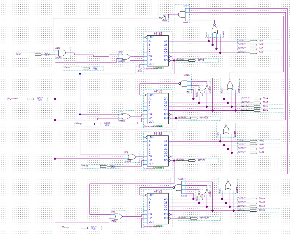
Running into an issue with a minute/second countdown timer

I would like to start by saying I know this is Quartus 2 not Prime because my college uses 2. I did not see a form for 2 but need some help. we are basically restricted to using 74192 for the countdown timer. Everything in the circuit works fine except for the 50-second counter counting from 50 to 10 seconds in conjunction with the timer counting from 9 to 1.

In this sense when the 50-second timer hits 0 and instead of carrying in to continue it stops at 0 and the minute timer takes the role of the 50 second causing the 50-minute to take the role of the 1-minute timer

  • FvM's avatar
    FvM
    2 years ago
    Setting to 5 requires a respective value at inputs A - D. You need additional logic to implement down-counting 0 to 5 and up-counting 5 to 0.

5 Replies

  • FvM's avatar
    FvM
    Icon for Super Contributor rankSuper Contributor

    Why are you restricted to use 74192 counter? That's an old fashioned and awkward way to design logic circuits. Is it a homework exercise?

    An appropriate way to design the circuit would be a behavioral description in VHDL or Verilog.

    The error is that ten minute and second counter must be set to 5 rather than 0 when down-counting to 9.

    • Fall3n's avatar
      Fall3n
      Icon for New Contributor rankNew Contributor
      It is a restriction for our final project. This class is an introductory Logic and Digital Design course so we have only gone over basic logic gates, adders, and down/up timers, thus the restriction to the 74192.

      In relation to the set 5 how would you recommend this?
      • FvM's avatar
        FvM
        Icon for Super Contributor rankSuper Contributor
        Setting to 5 requires a respective value at inputs A - D. You need additional logic to implement down-counting 0 to 5 and up-counting 5 to 0.
  • Hi @Fall3n,


    Good to know that you have found the answers to your question, with no further clarification on this thread, it will be transitioned to community support for further help on doubts in this thread. Please login to ‘https://supporttickets.intel.com’, view details of the desire request, and post a feed/response within the next 15 days to allow me to continue to support you. After 15 days, this thread will be transitioned to community support.

    Thank you for the questions and as always pleasure having you here.


    Best Wishes

    BB