Forum Discussion

DonCajone's avatar
DonCajone
Icon for New Contributor rankNew Contributor
3 years ago

Modelsim | Help with apply-wave

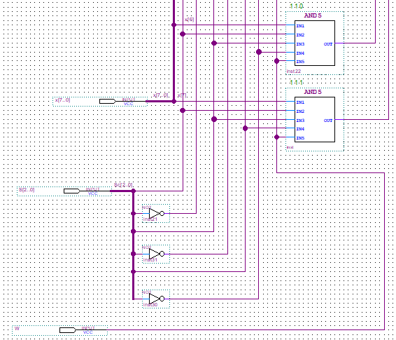
i have a little problem with my manager input ( W ) i can't find TIME PERIOD for my project ( For W )

( On photo W have constant 1, but in project it have change beatwen 0 and 1 )

So, if someone know how calculate Time period for W, please explaine how u found it

8 Replies

  • sstrell's avatar
    sstrell
    Icon for Super Contributor rankSuper Contributor

    Without seeing the design or some code, there's no way to know. Can you provide that and more details on what you're expecting?

    • DonCajone11's avatar
      DonCajone11
      Icon for New Contributor rankNew Contributor

      Link on project click

      screenshot:

      and screenshot of Lab3_11( where idk which time set to W

  • Ash_R_Intel's avatar
    Ash_R_Intel
    Icon for Regular Contributor rankRegular Contributor

    Hi,

    What frequency are you driving the signal? Is it from testbench or forcing it in waveform?


    Regards


    • DonCajone11's avatar
      DonCajone11
      Icon for New Contributor rankNew Contributor

      i dont understand ur question :c, but its i a little bit stuoid :3, i try explain what i want:

      I have pin W, its enable pin for project Lab3_11, in ModelSim i dont know whitch time i have set for get those lines ( on screenshot ) , so my main problem its which time set for pin W in ModelSim to get those lines ( YA ( my MUX ) have be same with YB( common MUX in Quartus ), but enable pin W ruin me evrething :c )

      its when i set W constant = 1

  • sstrell's avatar
    sstrell
    Icon for Super Contributor rankSuper Contributor

    W is coming from an input pin so its period/frequency would depend on whatever is driving that input from the board, outside the FPGA. There's no info here to determine that.

  • Ash_R_Intel's avatar
    Ash_R_Intel
    Icon for Regular Contributor rankRegular Contributor

    Hi,

    The issue is still not clear to me. Input W looks like a static input and not a clock. What do you mean when you asked TIME PERIOD for W, in your first post?

    As I understand from the block diagrams that you pasted, input W has no effect on output YB. Its acts as enable for output YA only. If W = 1, both the outputs YA and YB behave as a mux. But if W = 0, YA will probably always be 0.

    Regards

    • DonCajone's avatar
      DonCajone
      Icon for New Contributor rankNew Contributor
      Yep, input W - static 1, but i set static just for example, in project i have to set clock/counter, change between 1and0, main problem: I don't know how/which time set( in apply wave )

      W its like enable input

      And yep, its 2 mux, YB standart mux, which in quartus, YA its own mux
  • Ash_R_Intel's avatar
    Ash_R_Intel
    Icon for Regular Contributor rankRegular Contributor

    Hi,

    Your query is application specific, so it depends upon how frequently the higher-level module is going to change the input.

    I think for testing purpose, you can just provide any frequency. The outputs should change accordingly.


    Regards