What is Cyclone 10 LP Configuration and programming method?
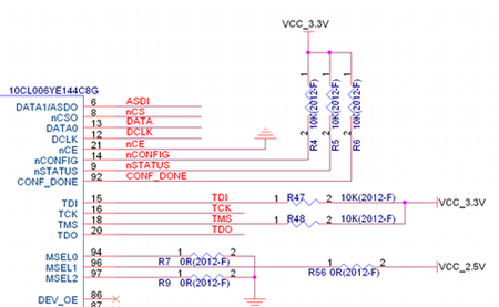
Please check if the Cyclone 10 LP Configuration connection is correct. I connected Cyclone 10 LP (10CL006YE144C8G) and EPCQ4ASI8N as shown in the circuit below. MSEL[2..0]=010 was set (based on 2.5V...