Forum Discussion

HAlex's avatar
HAlex
Icon for Occasional Contributor rankOccasional Contributor
3 years ago
Solved

Warning (169180): Following 4 pins must use external clamping diodes.

Hello

I am using EP4CGX150CF23C8 connected to EPCQ128ASI16N flash at ASx1 mode.

Serial flash should store 2 images (factory and application) and should work at remote update mode.

When I setup Serial Flash Controller II Intel FPGA IP at Platform designer after a project compilation I get a warning: "Warning (169180): Following 4 pins must use external clamping diodes" related to configuration pins: DCLK, DATA0, SCE, SDO.

On my board I have an option of assembly only of 1 external clamping diode on DATA0 (as previously at board's PCB layout stage I defined a Legacy EPCS/EPCQx1 Flash Controller Intel FPGA IP and had this 'must' warning - 169180 related only for a single pin - DATA0).

Is it really a must to use additional 3 diodes for output pins from FPGA (DCLK, SCE, SDO)?

The connection between serial flash and FPGA is direct without any external connectors (flash programming/reading will be only through FPGA - like SFL mode).

Thank you

Alex

  • Hi Alex Halfin,

    if you see in fig. 8 - 28 it has two headers. one for JTAG mode header and another one AS mode header. if you following combine the AS configuration scheme with the JTAG-based configuration then follow fig. 8-28 schematic or following programming of a serial configuration device with the JTAG interface then AS mode header and those diodes are not required.

    Cyclone IV Device Handbook pdf link attaching here

    https://www.ee.ryerson.ca/~courses/ee8205/Data-Sheets/sopc/cyclone4-handbook.pdf

    Thank you

    Hareesh.

5 Replies

    • HAlex's avatar
      HAlex
      Icon for Occasional Contributor rankOccasional Contributor

      Hello

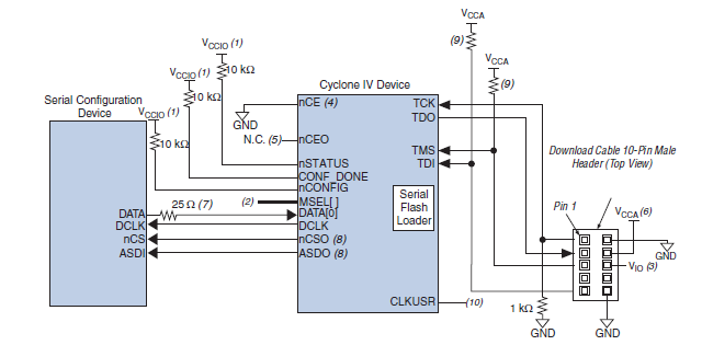
      In my board the connection made exactly by Handbook recommendation (figure 8-29):

      There are no diodes mentioned in Cyclone IV Handbook.

      I raised the diode's question only after getting a Quartus warning (and this is after the board's layout is finished and the board is at production now).

      Diode's are shown in Handbook only in connection with additional header like on figure 8-28.

      My question: is the Quartus warning related only to connections described like on figure 8-28 and it is not relevant to my case?

      Thank you

      Alex

      • hareesh's avatar
        hareesh
        Icon for Frequent Contributor rankFrequent Contributor

        Hi Alex Halfin,

        if you see in fig. 8 - 28 it has two headers. one for JTAG mode header and another one AS mode header. if you following combine the AS configuration scheme with the JTAG-based configuration then follow fig. 8-28 schematic or following programming of a serial configuration device with the JTAG interface then AS mode header and those diodes are not required.

        Cyclone IV Device Handbook pdf link attaching here

        https://www.ee.ryerson.ca/~courses/ee8205/Data-Sheets/sopc/cyclone4-handbook.pdf

        Thank you

        Hareesh.