Forum Discussion
2Nurina
I'm really appreciate for help.
1. Logic lock is overkill. It should work without such a deep intervetion. It's a simple RAM, come on!
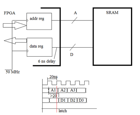
2. I've found some logic between data/addr register and FPGA ports. Totally forgot about that. So I've removed this logic (strictly speaking, I've moved it behind registers), and now reading is perfect. I've even removed set_max_delay lines in SDC. This is good, because I don't understand what they did anyway )
3. But then a new problem arrived: in some cases write is failing, and I don't understand why. Maybe again it is logic on the nWR line, idk. I can't remove this logic right now, will try some workaround.
4. About this topic... I've asked about constrains for static RAM, delays is a secondary problem, it should be resolved by correct SDC. I'm now reading this, it is much more close to what I need. Hope it will help. If you want to close this topic - it's ok.
ps One more question: are there any major differences between Cyclone III and IV?
I mean, i/o buffers or smth. Because I did something similar couple years ago on Cyclone IV, and have no problems at all without any constrains, fast registers etc.