Forum Discussion

NSV00's avatar
NSV00
Icon for New Contributor rankNew Contributor
4 years ago

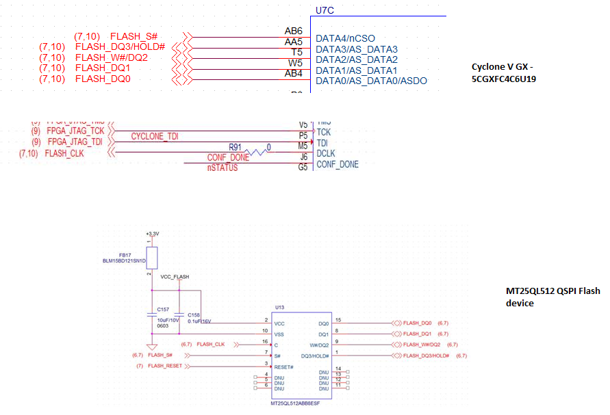
QSPI flash connections to Cyclone V GX 4 FPGA device

Dear Intel FPGA support team,

We have selected Cyclone V GX and we are going to use MT25QL QSPI flash device as configuration flash. We wanted to ensure about the pin connectivity from the FPGA device to the QSPI flash. Kindly check the attached schematic diagrams and let us know whether any changes are required. Also had the doubt on RESET# pin of MT25QL device connectivity to FPGA. Which pin of FPGA needs to be connected to MT25QL QSPI Reset# pin? Please provide the inputs.

Thanks and regards,

Nagendra

2 Replies