Forum Discussion

NSV00's avatar
NSV00
Icon for New Contributor rankNew Contributor
4 years ago

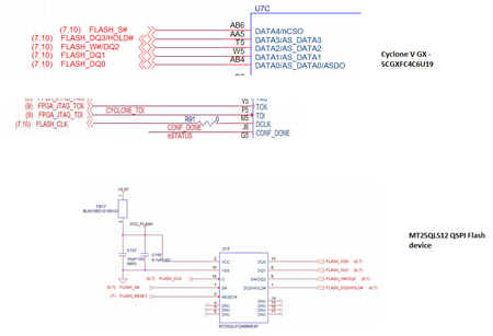
QSPI flash connections to Cyclone V GX 4 FPGA device

Dear Intel FPGA support team, We have selected Cyclone V GX and we are going to use MT25QL QSPI flash device as configuration flash. We wanted to ensure about the pin connectivity from the F...