Forum Discussion

Rukaiya's avatar
Rukaiya
Icon for New Contributor rankNew Contributor
4 years ago

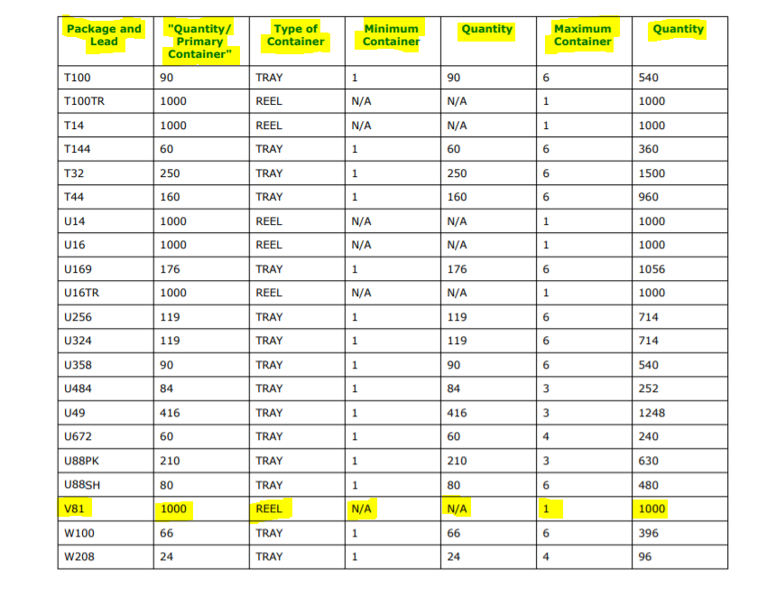
Need MSL & Packaging information for MPN 10M08DFV81I7G

Hello Respected,

This is Rukaiya Shaikh. Currently we are working for one of our manufacturing plant in PENANG & need your help to provide below details.

In case if you are not a correct contact kindly redirect it to same.

MFR

MPN

MSL

Tape Pitch

Tape Width

Pin 1 Orientation

INTEL CORPORATION

10M08DFV81I7G

End Customer – IIV1

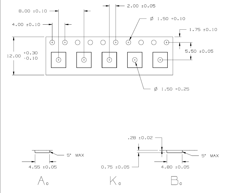
Note :

Pin-1 Orientation is the position of pin1 in either corner of component in Tape and Reel.

Below image given for more understanding on Pin-1 in General Orientation in T&R.

2 Replies