Forum Discussion

EBarc1's avatar
EBarc1
Icon for New Contributor rankNew Contributor
7 years ago

My 2nd Intel FPGA design

Hello everyone,

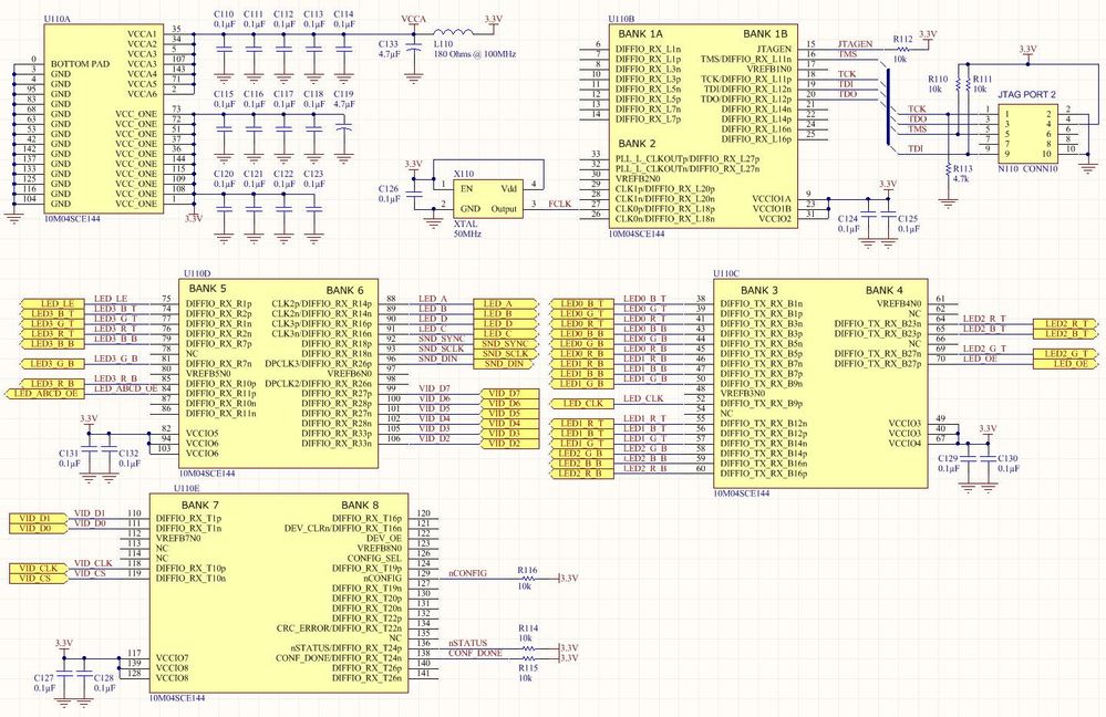
This is my 2nd usage of an Intel FPGA on a board, and I just want to make sure I'm not making any mistake.

On the previous board I used the MAX 10 10M02SC, and now that I need to upgrade to the 10M04SC I was surprised that they are not pin-to-pin compatible, which will require a PCB redesign.

Attached is my FPGA design sheet. Disregarding the specific application, is there anything wrong with the FPGA connections? I did read on the Pin Connection Guidelines for the MAX10 family that unused CLK and PLL pins should be tied to VCCIO or GND. However, on my previous board, I left them open, and (maybe out of luck) everything worked fine.

3 Replies

  • Hi,

    By referring to Max 10 GPIO user guide, Figure 1, 10M02 and 10M04 devices are migratable. https://www.intel.com/content/dam/www/programmable/us/en/pdfs/literature/hb/max-10/ug_m10_gpio.pdf

    However, there is no information available to confirm if it is exact drop in replacement part. You would need to further verify thru Quartus Prime software with migration feature enable. When the migration feature is enabled in your design, you should always follow the common pin placement as stated in the Quartus Prime software Pin Migration Window in the Pin Planner.

    Thank you

    Regards,

    Chia Ling

  • EBarc1's avatar
    EBarc1
    Icon for New Contributor rankNew Contributor

    Hi Chia,

    I understand that the 10M02 and 10M04 aren't pin-to-pin compatible. But I'm concerned that maybe the PCB changes needed to migrate to the 10M04 aren't just rerouting the traces & repositioning some components based on the new pin positions of the 10M04. I do believe it's just that. It's just that this is my 2nd design using those FPGAs and I am indeed worried about making a beginner's mistake.

    And also, a concern that I have is that the Pin Connection Guidelines for the MAX10 family says that unused CLK and PLL pins should be tied to VCCIO or GND. However, on my previous board, I left them open, and (maybe out of luck) everything worked fine. But do I indeed need to tie those to VCCIO or GND?

  • Hi,

    I would like to understand if you manage to get the common pin placement when you enabled the migration feature in your design. You could further confirm the common pin location as stated in the Quartus Prime software pin migration window.

    Thank you

    Regards,

    Chia Ling