Forum Discussion

HGAEN's avatar
HGAEN
Icon for New Contributor rankNew Contributor
6 years ago
Solved

How to connect EPCQ to Cyclone 10 LP

I'm trying to find documentation for how to connect an EPCQ in As x4 mode to a Cyclone 10 LP FPGA, but the schematics included in the Intel® Cyclone® 10 LP Core Fabric and General Purpose I/Os Handbook show an ASDI pin which is not present on the pinouts for any of the EPCQ devices. The Intel FPGA Configuration Device Migration Guideline indicates that the ASDI pin on EPCS devices corresponds to DATA0 on the EPCQ, but what do I connect to DATA1, DATA2, and DATA3?

Thank you!

  • Hi HGAEN,

    Cyclone 10 LP does not support AS x4 mode.

    Cyclone 10 LP support AS x1 mode only. Here the pinouts for AS x1 mode for Cyclone 10 LP (refer to picture for more details):

    • nCSO (FPGA) pin go into nCS (EPCQ)
    • DCLK (FPGA) pin go into DCLK (EPCQ)
    • Data1, ASDO (FPGA) pin go into DATA0 (EPCQ).
    • DATA1 (EPCQ) pin go into Data0 (FPGA)

    For DATA2 and DATA3 (EPCQ) pins, this pin must connect to a 3.3-V power supply.

    Thanks.😉

2 Replies

  • ShafiqY_Intel's avatar
    ShafiqY_Intel
    Icon for Frequent Contributor rankFrequent Contributor

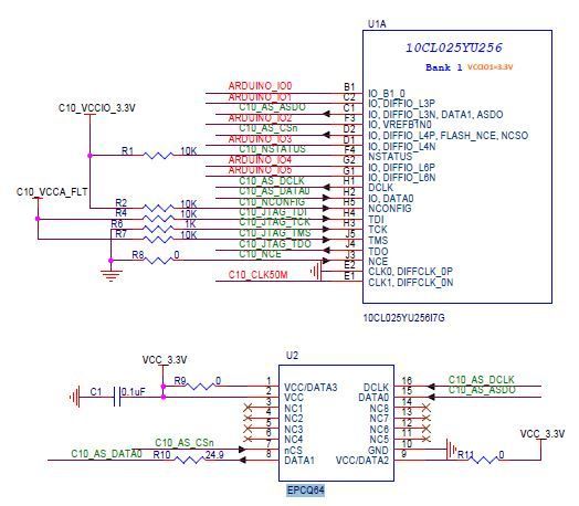
    Hi HGAEN,

    Cyclone 10 LP does not support AS x4 mode.

    Cyclone 10 LP support AS x1 mode only. Here the pinouts for AS x1 mode for Cyclone 10 LP (refer to picture for more details):

    • nCSO (FPGA) pin go into nCS (EPCQ)
    • DCLK (FPGA) pin go into DCLK (EPCQ)
    • Data1, ASDO (FPGA) pin go into DATA0 (EPCQ).
    • DATA1 (EPCQ) pin go into Data0 (FPGA)

    For DATA2 and DATA3 (EPCQ) pins, this pin must connect to a 3.3-V power supply.

    Thanks.😉