Forum Discussion
KennyT_altera
Super Contributor
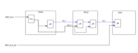
1 year agoFor source synchronous constrain, we have multiple type of constrain like the edge align, center align. You can refer to https://www.intel.com/content/www/us/en/support/programmable/support-resources/design-examples/quartus/exm-tq-ea-ss-out.html for example how to constrain it.