Forum Discussion

XQSHEN's avatar
XQSHEN
Icon for Occasional Contributor rankOccasional Contributor
4 years ago

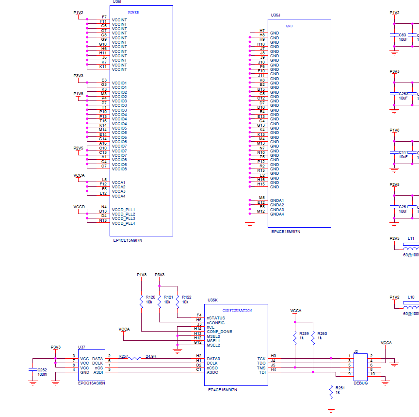
EP4CE15M9I7N configuration

Hello,

Any issue with below configuration?

As status, conf_done, MSEL, JTAG are using different pull up supply voltage, I am not sure if there is any issue.

6 Replies

    • XQSHEN's avatar
      XQSHEN
      Icon for Occasional Contributor rankOccasional Contributor

      I think I followed the guide.

      As status, conf_done, MSEL, JTAG are using different pull up supply voltage, do you see any issue?

  • Hi,


    It is advisable to follow pin connection guidelines as the guideline was tested and approve by Intel.


    Regards,

    Aiman


  • XQSHEN's avatar
    XQSHEN
    Icon for Occasional Contributor rankOccasional Contributor

    I appreciate if you can direct answer my question .

  • Hi,


    We do not know the potential risk, apart from our connection guidelines as we have not tested it.


    Apologize for the inconveniences.


    Regards,

    Aiman


  • We do not receive any response from you to the previous answer that I have provided. This thread will be transitioned to community support. If you have a new question, feel free to open a new thread to get the support from Intel experts. Otherwise, the community users will continue to help you on this thread. Thank you