Forum Discussion

XQSHEN's avatar
XQSHEN
Icon for Occasional Contributor rankOccasional Contributor
4 years ago

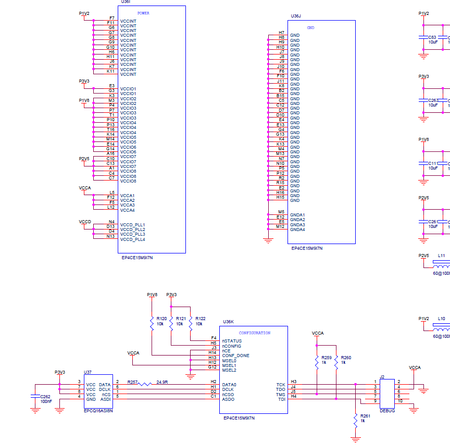
EP4CE15M9I7N configuration

Hello, Any issue with below configuration? As status, conf_done, MSEL, JTAG are using different pull up supply voltage, I am not sure if there is any issue.