Forum Discussion

BDE's avatar
BDE
Icon for New Contributor rankNew Contributor
7 years ago

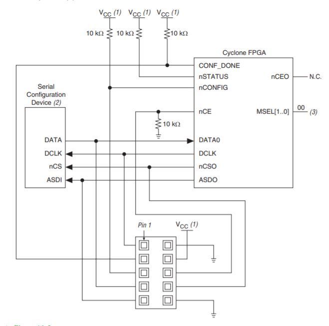
Confirm that Cyclone 10LP FPGA Configuration in AS Mode (Serial Configuration Device Programmed Using Download Cable)?

Below image can be used to configure for Cyclone 10LP in AS mode, confirm that this will work or not?

if not kindly suggest how to use download cable in AS mode for Cyclone 10LP?

2 Replies

    • BDE's avatar
      BDE
      Icon for New Contributor rankNew Contributor

      Hello YL,

      I am unable to program EPCQ4A through AS mode via USB Blaster.

      below are the connection details,

      1. Only EPCQ4A is power ON
      2. Core voltage for FPGA is not powered ON.
      3. AS mode connected to both FPGA and EPCQ4A.

      error is (Error (209025): Can't recognize silicon ID for device 1. A device's silicon ID is different from its JTAG ID. Verify that all cables are securely connected, select a different device, or check the power on the target system. Make sure the device pins are connected and configured correctly)

      suggest me with the solution.