Forum Discussion
YuanLi_S_Intel
Regular Contributor
7 years agoHi Balakrisha,
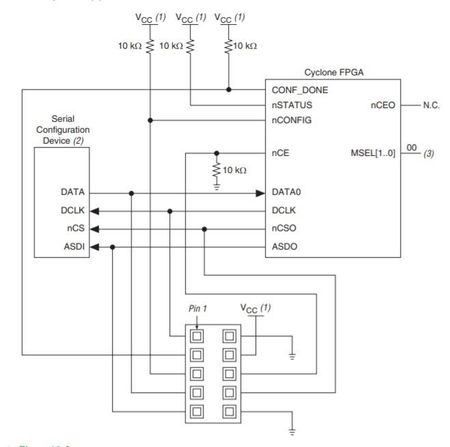
Yes, this is applicable. For more information about AS Mode, you may refer to user guide.
https://www.intel.com/content/dam/www/programmable/us/en/pdfs/literature/hb/cyclone-10/c10lp-51003.pdf (Page 135)
Thank You.
Regards,
YL
BDE
New Contributor
6 years agoHello YL,
I am unable to program EPCQ4A through AS mode via USB Blaster.
below are the connection details,
- Only EPCQ4A is power ON
- Core voltage for FPGA is not powered ON.
- AS mode connected to both FPGA and EPCQ4A.
error is (Error (209025): Can't recognize silicon ID for device 1. A device's silicon ID is different from its JTAG ID. Verify that all cables are securely connected, select a different device, or check the power on the target system. Make sure the device pins are connected and configured correctly)
suggest me with the solution.