Forum Discussion
sstrell
Super Contributor
5 years agosclr is active high, so your if check should be if sclr = '1'. Also, there's no need for the extra qs signal. Just make the assignments to q in the process.
#iwork4intel
AZahe1
New Contributor
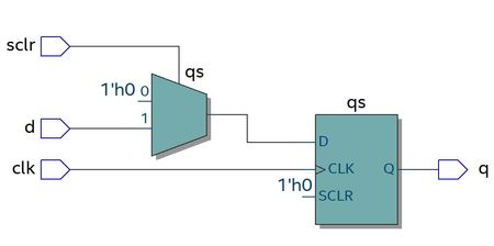
5 years agothank you for replying.
I changed the reset to be active high, but it still uses extra logic. the only difference is that the inputs of the multiplexers have flipped.
yes right, I too think there is no need for the qs signal here.