Forum Discussion

GeraldLi1's avatar
GeraldLi1
Icon for New Contributor rankNew Contributor
3 years ago

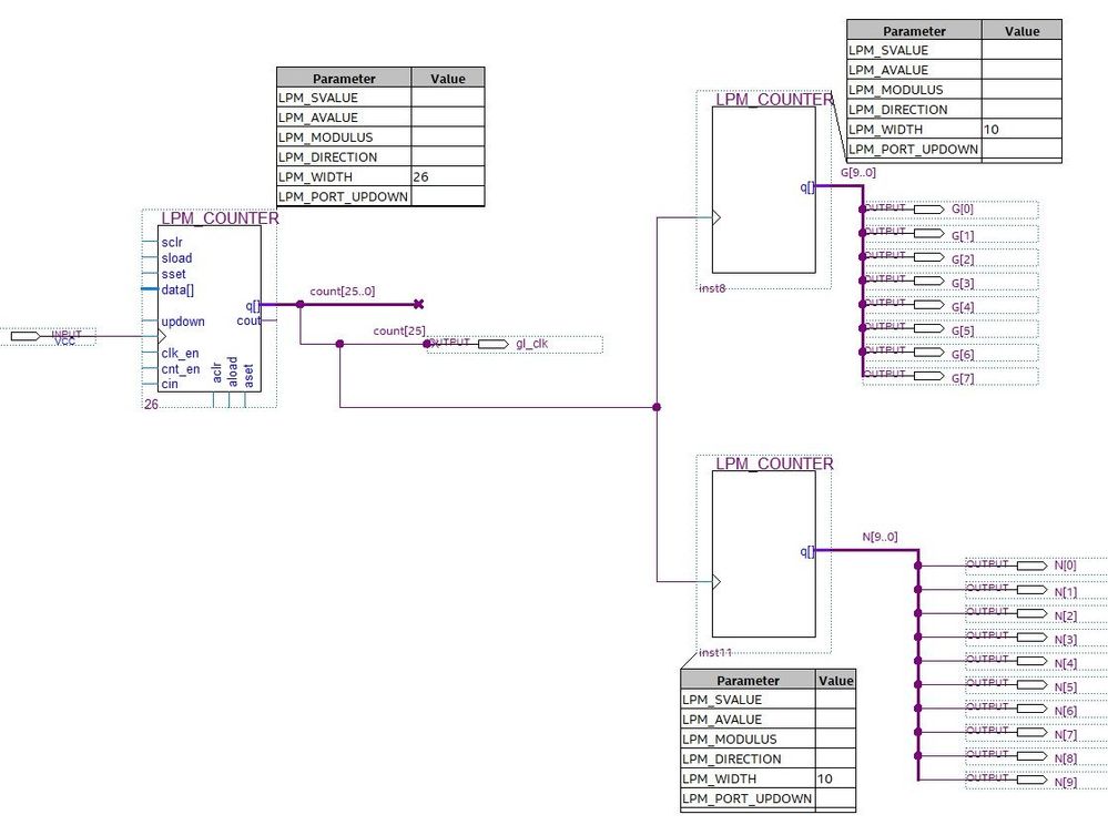
Error (275023): Width mismatch in G[0] -- source is ""G[9..0]""

Hi,

not possible to have inst8

Error (275023): Width mismatch in G[0] -- source is ""G[9..0]"" (same error for all G outputs)

BUT NO PROBLEM WITH inst1 WITH SAME DESIGN !!!

Why?

I use Lite Edition v22.1

Thanks for your help

3 Replies

  • sstrell's avatar
    sstrell
    Icon for Super Contributor rankSuper Contributor

    The only thing I can think of is you have all 10 bits called out for N. What happens if you change the LPM_WIDTH for inst8 to 8 instead of 10?

  • ShengN_altera's avatar
    ShengN_altera
    Icon for Super Contributor rankSuper Contributor

    I’m glad that your question has been addressed, I now transition this thread to community support. If you have a new question, Feel free to open a new thread or login to ‘https://supporttickets.intel.com’, view details of the desire request, and post a feed/response within the next 15 days to allow me to continue to support you. After 15 days, this thread will be transitioned to community support. The community users will be able to help you on your follow-up questions.