Forum Discussion

CosmoKramer's avatar
CosmoKramer
Icon for Occasional Contributor rankOccasional Contributor
5 years ago

direction of signals in rtl viewer

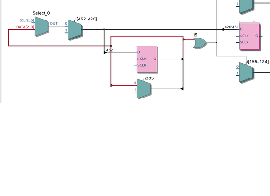
this is from quartus rtl viewer. would like to learn how to read this diagram.

Q is output of the flop. but why does the black arrow (circled with blue) point towards Q like it is an input to flop.

it looks like data from mux is input into flop at Q, which is not correct.

please help me understand this.

Thanks Y'all

3 Replies

  • sstrell's avatar
    sstrell
    Icon for Super Contributor rankSuper Contributor

    What does the vertical wire connected to that point go to?

  • CosmoKramer's avatar
    CosmoKramer
    Icon for Occasional Contributor rankOccasional Contributor

    Here is the picture showing the vertical line. It looks like it is going to a mux. but i am not sure.

  • SyafieqS's avatar
    SyafieqS
    Icon for Super Contributor rankSuper Contributor

    Hi Sandhya,


    Assuming no issue with your HDL, does your rtl behave as expected if you ignore that? What Quartus type and version you are using?


    Thanks,

    Regards