Forum Discussion

wilfleth's avatar
wilfleth
Icon for New Contributor rankNew Contributor
2 years ago
Solved

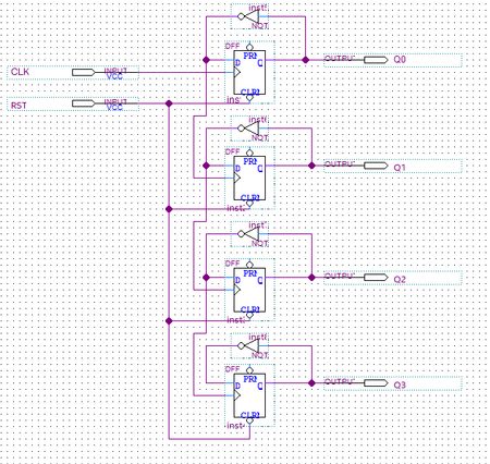
4 bit ripple counter

would this work as a 4bit ripple counter?
  • SyafieqS's avatar
    2 years ago

    Hello


    This seem a very general question judging from the image, yes/no depending on other setting e.g. pin assignment etc.

    Try to simulate to verify the functional