Forum Discussion

wilfleth's avatar
wilfleth
Icon for New Contributor rankNew Contributor
2 years ago
Solved

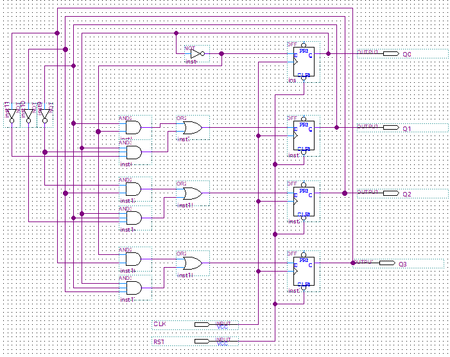
16bit bcd counter from 4bit bcd counter

What would be the best way to go about implementing a 16 bit BCD counter given the implementation of this 4 bit BCD counter?
  • FvM's avatar
    2 years ago

    Preferably by extending the 4-bit building block with a clock enable input and a carry output. A bcd counter with respective functionality should be available in the 7400 library, e.g. 74163.