Forum Discussion

ymiler's avatar
ymiler
Icon for Contributor rankContributor
3 years ago

Glitch less clock

Hi

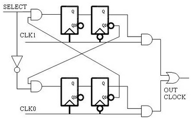
I need to implement multiplexer between 2 async clocks
there is a flag that should choose between them
This code can cause to glitch clock and I'd like to avoid from it

I can't use the "clock control Intel FPGA IP" since this option doesn’t enable for my device - Stratix 10 -1SM21BHU2F53E2VG

other option is implement the following :

but , the tool report that it's unsupported cascaded clock so that tool can't convert it.

Do you idea how can I solve this issue ?

Yishay

13 Replies

  • sstrell's avatar
    sstrell
    Icon for Super Contributor rankSuper Contributor

    Doesn't the clock control block have an enable signal option? Can't you use that?

  • Nurina's avatar
    Nurina
    Icon for Regular Contributor rankRegular Contributor

    Hi,


    Sorry for the late response. Can you share the .qar file here?


    Regards,

    Nurina


    • ymiler's avatar
      ymiler
      Icon for Contributor rankContributor

      sure ,

      Please send me pointer to secure share location

      • ymiler's avatar
        ymiler
        Icon for Contributor rankContributor

        pointer to secure and Intel Only Access.

  • Nurina's avatar
    Nurina
    Icon for Regular Contributor rankRegular Contributor

    Hi,


    You may share the design through email. I'll send you an email right now.


    Regards,

    Nurina


  • Nurina's avatar
    Nurina
    Icon for Regular Contributor rankRegular Contributor

    Hi Yishay,


    I suggest you use the enable signal available in the IP. Is there any reason why you cannot use this?


    Regards,

    Nurina


    • ymiler's avatar
      ymiler
      Icon for Contributor rankContributor

      Hi Nurina,

      As I wrote in the top of this case I cant enable this signal since this option doent available

      Yishay

  • sstrell's avatar
    sstrell
    Icon for Super Contributor rankSuper Contributor

    We're not talking about that option. Scroll down. Under "Clock Gating", use the enable options there.

    • ymiler's avatar
      ymiler
      Icon for Contributor rankContributor

      OK ,

      I see what you are taking about ,

      But , how this option can solve the glitch less issue ?

      I need the switchover option :

  • Nurina's avatar
    Nurina
    Icon for Regular Contributor rankRegular Contributor

    Hi,


    As mentioned in this KDB https://www.intel.com/content/www/us/en/support/programmable/articles/000076600.html

    You can prevent glitches during clock switchover by using the ena port.


    The ensure glitch free clock switchover option is not available in any of the Clock Control IP for Stratix 10 at the moment unfortunately, so you'll have to use clock enable : https://www.intel.com/content/www/us/en/docs/programmable/683195/20-3/ip-core-parameters-29948.html


    Regards,

    Nurina


    • ymiler's avatar
      ymiler
      Icon for Contributor rankContributor

      Hi

      Thank you

      I will use it , this is a good workaround .

      Yishay

  • Nurina's avatar
    Nurina
    Icon for Regular Contributor rankRegular Contributor

    Hi,


    I’m glad that your question has been addressed, I now transition this thread to community support. If you have a new question, Please login to ‘https://supporttickets.intel.com’, view details of the desire request, and post a feed/response within the next 15 days to allow me to continue to support you. After 15 days, this thread will be transitioned to community support. The community users will be able to help you on your follow-up questions.


    p/s: If any answer from community or Intel support are helpful, please feel free to mark as solution, give Kudos and rate 4/5 survey


    Regards,

    Nurina