Forum Discussion

qianbo108's avatar
qianbo108
Icon for New Contributor rankNew Contributor
4 years ago

What is this configuration method?Please pay attention to the pin connections of AS_ASDI and AS_DATA

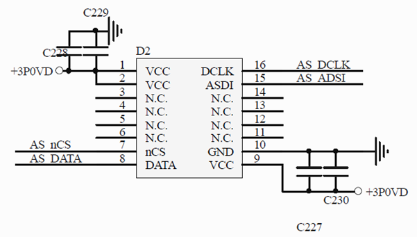
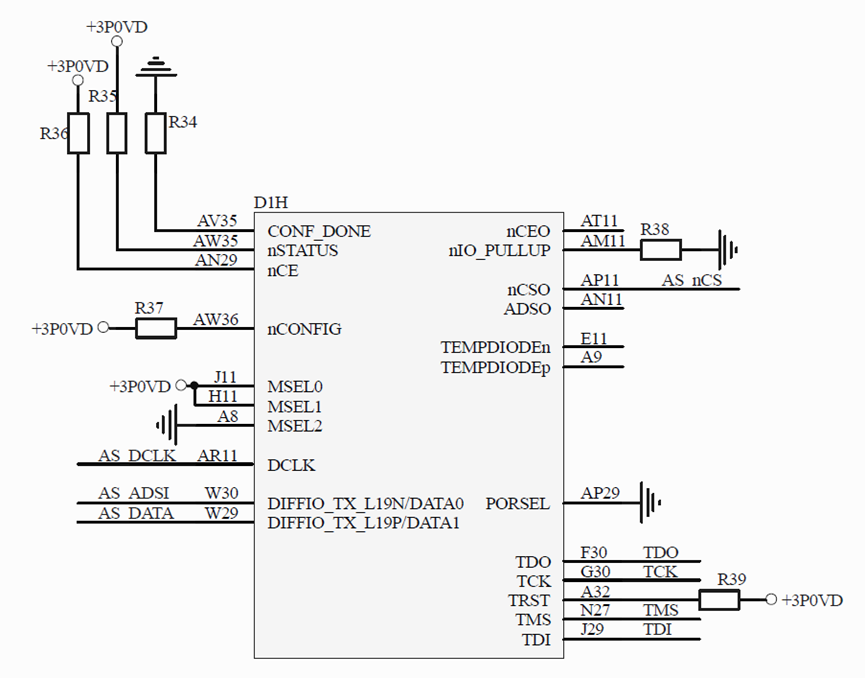
FPGA: Stratix IV (EP4SGX230KF40I3),EPCS: EPCS128

The above two pictures are the standard FPGA configuration methods, which are consistent with the officially recommended configuration methods(JTAG+AS).

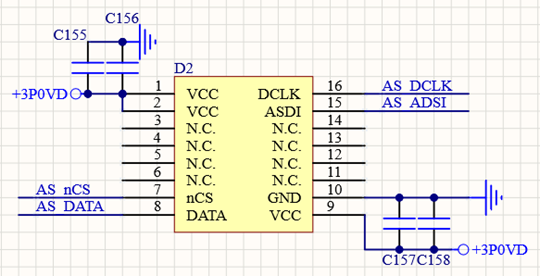
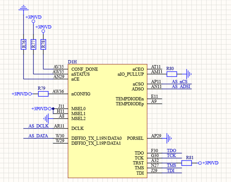
The following two pictures are the FPGA configuration method of a circuit board I found, which is inconsistent with the officially recommended configuration method.I don't know what configuration method this is, and I didn't find the corresponding one in the official manual.

I found out that this way of configuration supports configuring sof/jic files.This should also be JTAG+AS.

The connection method on the EPCS side is the same.
The connection pins on the FPGA side, first of all, the CONF_DONE and nCE pull-up and pull-down resistors of the configuration pins are different. I found that if I changed this to the same as the official configuration, it cannot configure the sof/jic file.
The second point is that the FPGA side pins connected to EPCS are also different, AS_ASDI and AS_DATA, which are not on the same FPGA pins as the official configuration. Since the FPGA is a BGA package, I can't get the unleaded pins out.
My question is,

1. Because the pins connected to the signals AS_ASDI and AS_DATA on the FPGA side are different, does it also cause the way of the pull-up and pull-down resistors of CONF_DONE and nCE above to be different from the official configuration?

2. Although this configuration method can also configure the sof/jic file, it is not a standard configuration (JTAG+AS) connection method. Can this alternative configuration method be used for FPGA RSU? Will the connection between AS_ASDI and AS_DATA on the FPGA side cause RSU to fail?

3.Is there a corresponding relationship between the AS_ASDI and AS_DATA connection pins on the FPGA side and the CONF_DONE and nCE pull-up and pull-down resistors?

Thank you so much!!!

1 Reply

  • YuanLi_S_Intel's avatar
    YuanLi_S_Intel
    Icon for Regular Contributor rankRegular Contributor

    So the alternate you meant is the pull-up / pull-down on the configuration pin? If it can be configure, it works also for RSU.