Forum Discussion

HOcg's avatar
HOcg
Icon for New Contributor rankNew Contributor
3 years ago

Problem with transceivers in Arria 10 SoC Devkit

Hello,

I have a system in which I am using 2 Arria 10 SoC Devkits. One is used as a transmitter and the other as the receiver. In this setup I am using a transceiver port to send data at 10 Gbps.

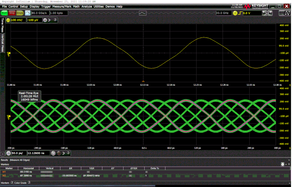
Since a while ago, I have noticed that the data is getting corrupted and unstable. At the beginning I assumed that the problem was the current development on the communication chain but recently I managed to see one of the signals in an oscilloscope and I cound find it having a problem in which the phase of the transmitted signal is changing as the following figure shows.

Since at that time I was using the SFP module cases, I assumed that the problem was within the SFP+. Later started usign some SMA ports both the ones already in the board and some connected through an FMC port and again I am facing problems with the data transmission that even cause the system not to achieve synchronization. This synchronization is a stable design that has worked flawlessly before with these boards and other designs.

Since the beginning, I have been using the option:

set_global_assignment -name PRESERVE_UNUSED_XCVR_CHANNEL ON

to ensure that the unused transceivers are properly preserved in case I wanted to use them later.

Have anyone faced a similar issue or has an idea of what might be happening?

Thank you for your support,

Jorge

2 Replies

  • Ash_R_Intel's avatar
    Ash_R_Intel
    Icon for Regular Contributor rankRegular Contributor

    Hi,

    Recommend you to run the internal loopback tests on both the boards. If it works fine, then may be you can try to change the cable. Other option will be to perform external loopback on same board and check the behavior.


    Regards


  • Ash_R_Intel's avatar
    Ash_R_Intel
    Icon for Regular Contributor rankRegular Contributor

    Hi,

    You can also try to use the Transceiver toolkit to run the test and observe the eye diagram at receiver end.


    This thread will be transitioned to community support. If you have a new question, feel free to open a new thread to get the support from Intel experts. Otherwise, the community users will continue to help you on this thread. Thank you


    Regards