Forum Discussion

haduchieu's avatar
haduchieu
Icon for New Contributor rankNew Contributor
4 months ago

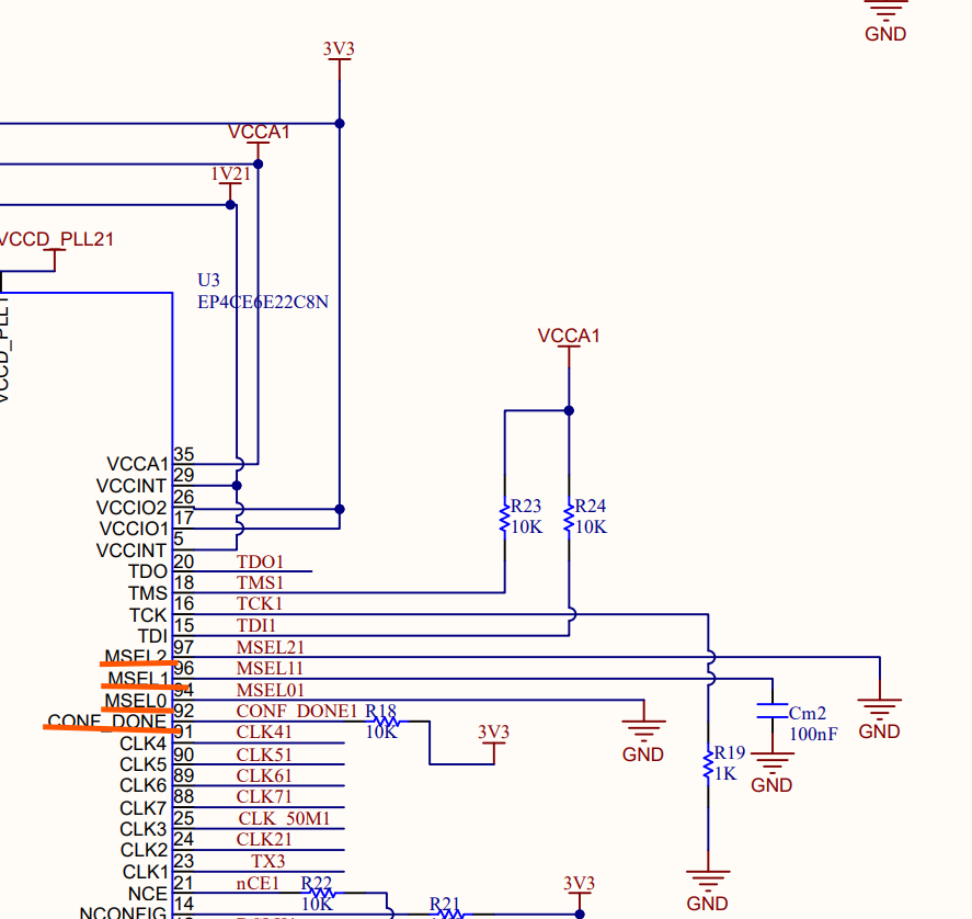
nCONFIG and nSTATUS,CONF_DONE always LOW EP4CE6

Hello everyone, i has problem about hardware of EP4CE6E22C8, i configure initialize pin like under

     About power supply, i sure that every bank has right voltage. The problem is when i connected through USB Blaster, quartus cannot detect device, when measure initialize pin, i see voltage in nSTATUS, nCONFIG, CONF_DONE always 0V although 3v3 pull up work. I checked chip solder right, 3v3 work, nSTATUS, nCONFIG, CONF_DONE do not touch GND. What should i do next ? Thanks everyone.

2 Replies

  • FakhrulA_altera's avatar
    FakhrulA_altera
    Icon for Regular Contributor rankRegular Contributor

    Hi haduchieu,

     

    May I know what FPGA device you are using? Is it a devkit or custom board?

    Regards,
    Fakhrul

  • FakhrulA_altera's avatar
    FakhrulA_altera
    Icon for Regular Contributor rankRegular Contributor

    As we haven't received a response to our previous notification, this thread will be transitioned to community support. We hope all your concerns have been addressed. If you have any new questions, please feel free to open a new thread to receive support from Intel experts. Otherwise, community users will continue to assist you here. Thank you.