Forum Discussion

fpga_lac's avatar
fpga_lac
Icon for New Contributor rankNew Contributor
2 years ago

Cyclone V hardware DMA

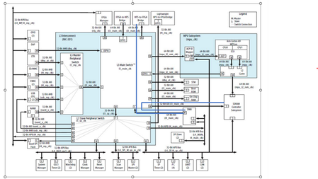
Hello, I want to transfer data from the FPGA to the cyclone V's SDRAM, using the hardware DMA as illustrated in the following figure I configured the DMA by the HPS. To handle data transfer,...