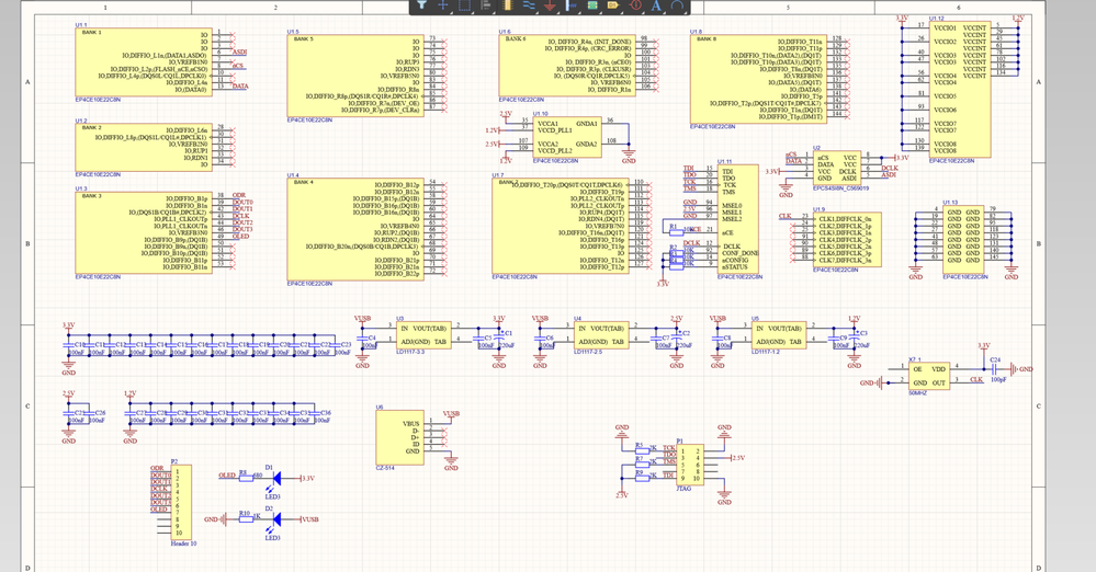
MHMTNew Contributor3 years agoEP4CE10E22C8N最小系统调制不成功应建原理图如图所示,将硬件焊接好之后,系统会停止运行,重新下载程序也不会成功,得等到第二天才有可能下载成功。
2 RepliesReplies sorted by Most LikedWZ2Frequent Contributor3 years agoHi there,请问:电源上电时序是否查询过,是否符合要求~时钟是否稳定,是否测试过时钟质量~quartus是否有相关报错可供参考~复现情况如何WZ2Frequent Contributor3 years agoHi there,有什么进展吗~
WZ2Frequent Contributor3 years agoHi there,请问:电源上电时序是否查询过,是否符合要求~时钟是否稳定,是否测试过时钟质量~quartus是否有相关报错可供参考~复现情况如何
Recent DiscussionsMCTP over PCIe VDM routing to PMCI in OFS N6000 FIM configuration and datapath clarificationHLS Compiler 24.1 error - aocl-clang.exe - dll entry point not foundSolvedError faced while executing on Agilex FPGA board....AI Suite System Throughput IssueAgilex 7 I-Series "aocl diagnose acl0" error following OFS