Forum Discussion

MinzhiWang's avatar
MinzhiWang
Icon for Occasional Contributor rankOccasional Contributor
1 year ago
Solved

The regisers EN port issue

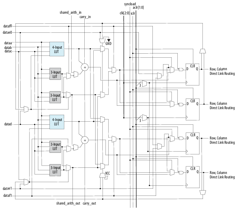
Hello guys, There is one long regiser array implemented in my project, as following imgae: Every register is realized to latch its closed ALUT output. The FF primitive is called to implement...
  • FvM's avatar
    1 year ago

    Hi,
    the problem might be explained by Cyclone 10 GX device handbook, Figure 7. ALM Connection Details for Intel Cyclone 10 GX Devices

    It shows that clock selection (and also clock enable selection, because clock and enable are tied) for adjacent registers isn't independent. There are two muxes for four registers.

    Regards

    Frank