Forum Discussion

VRogo's avatar
VRogo
Icon for New Contributor rankNew Contributor
5 years ago

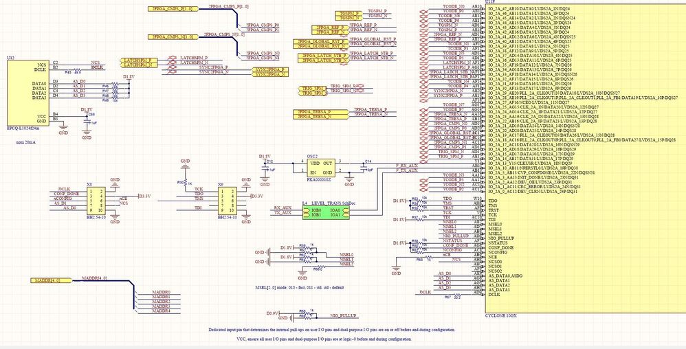
Cyclone 10 gx configuration

Greatings!

I've a problem:

I can configurate FPGA via JTAG, when nce pulled-down with 10K, but in this case i can't configurate EPCQ-L, it says - can't recognize device ID.

When i remote the pull-down from nce - EPCQ-L can be seen and configurate. But the programm file can't reach FPGA, to download config from epcq-l to fpga i mount again pull-down.

I'd developed many board's with cyclone 3,5, max series, but this issue i can't understand.

2 Replies

  • YuanLi_S_Intel's avatar
    YuanLi_S_Intel
    Icon for Regular Contributor rankRegular Contributor

    Hi VRogo,


    This is weird. By right the nCE pin is meant for enabling / disabling the device. Having it pulled down is correct if you are using that FPGA for configuration.


    Have you checked the signal integrity of the board? Has any of the pin affected by aggressor? Also, is this happening on all the board or certain board?


    Thank you.


    Regards,

    Bruce


    • VRogo's avatar
      VRogo
      Icon for New Contributor rankNew Contributor

      Problem solved

      The terasic usb blaster don't work properly.

      I change to waveshare electronics usb blaster - and it work.