Solved
Forum Discussion
SyafieqS
Super Contributor
4 years agoHi KFc,
What device are you using for ASIC prototyping?
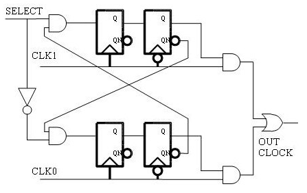
Auto Gated Clock Conversion logic option only available Arria series, Cyclone II, Cyclone III, Cyclone IV, HardCopy series, Stratix II, Stratix II GX, Stratix III, Stratix IV, and Stratix V) families. You need to double check this.
- NuvKFC4 years ago
Contributor
Hi SyafieqS_Intel
Thank you, SyafieqS_Intel, very much. I'm using Stratix IV. But tool said that it's an unsupported cascaded clock so that tool can't convert it.